嵌入式程序设计ch4-存储器系统
本文最后更新于:7 个月前
嵌入式程序设计ch4-存储器系统
- 存储器系统概述
- 嵌入式系统存储器的分类和性能分析
- ARM存储器管理
- 新型存储器
- 存储保护与校验技术
4.1 存储器系统概述
- 存储器系统嵌入式系统中不可或缺的组成部分,主要是用来存放指令和数据
- 嵌入式系统的主存储器由于计算机体系结构的限制,存在若干不足之处
- 不能同时满足存取速度快、存储容量大和成本低的要求。
- 在数据访问需求和成本性能之间平衡
- 嵌入式系统内部或者芯片内部
- 从块到慢、容量由小到大的多级层次存储器
- 采用优化的控制调度算法、合理的成本、性能构成经济可用的存储器系统
4.2 嵌入式系统存储器的分类和性能分析
- 嵌入式系统的存储器分为片内和片外存储器
- 采用分层结构
- 上一层存储器当作下一层存储器的高速缓存

按照用途分类
- 主存储器(简称内存)
- 辅助存储器(简称外存)
- CPU高速缓存
- 片内寄存器

- 基本结构简单.
- 二维阵列,行地址和列地址


存储器和存储器控制器
- 存储器芯片复杂的结构
- 存储器控制器连接CPU和存储器
- 存储器控制器屏蔽了CPU
- CPU无需知道不同存储器的详细时序

存储器的组织–通道与块
- 整个存储器系统可以划分为多个不同组件,每个组都有自己的存储器阵列和逻辑地址
- 通道:连接到一组存储器组件
- 控制器管理这些组件
- 调度问题
- 提供存储器并行性
- 支持多通道
- 组(Bank)是独立的存储阵列

分类:按照信息存取方式
按照信息存取方式:RAM和ROM
RAM
- SRAM:静态随机存储
- DRAM:动态随机存储器
- DDR SDRAM:双倍速率随机存储器
- SRAM 比 DRAM 运行速度要快,功耗要低,DRAM 还需要进行周期性刷新,功耗高,但DRAM存集成度更高、体积更小
ROM:烧写入数据后,就不可对数据修改,无外加电源,断电后数据不会丢失
- MROM,掩膜 ROM,Mask ROM
- PROM,可编程 ROM,Programmable ROM
- EPROM,可擦可编程 ROM,Erasable Programmable ROM
- EEPROM,电擦除可编程 ROM
- Flash Memory,快闪存储器
随机存储器RAM:
SRAM:
- 要始终保持上电状态,SRAM 存储的数据就可保持
- 较高的性能,功耗相对较低
- 集成度较低,体积较大,制作成本高

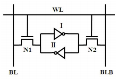
- 电路结构
- 通过两个首尾相接的反相器来锁存数据的
- 反相器Ⅰ和Ⅱ形成正反馈,使电路总能恢复到稳定状态
- N1 和 N2 叫做存取管,用来读取或者写入数据
- 字线( WL)控制存取管的开启
- 将存储的数据从位线( BL 和 BLB)传送至外围电路
- 反相器Ⅰ、Ⅱ和存取电路组成了一个 SRAM 单元(SRAM Cell)(由于该单元只能存储一位的数
DRAM:
电容存储数据,周期性刷新,功耗较高,
集成度较高,体积更小
保存信息的原理是依靠电容中存储电荷的状态,电容有电荷时,为逻辑 1;没有电荷时,为逻辑 0

基本原理
- Storage Capacitor,即存储电容,通过存储在其中电荷多和少,表示逻辑上的 1 和 0
- Access Transistor,即访问晶体管,它的导通和截止,决定了允许或禁止对Storage Capacitor 所存储的信息的读取和改写
- Wordline,即字线,它决定了 Access
- Transistor 的导通或者截止。
- Bitline,即位线,它是外界访问 Storage Capacitor 的唯一通道
- 当 Access Transistor 导通,外界可通过Bitline 对 Storage Capacitor 进行读写操作

- Storage Capacitor 的 Common 端接 Vcc/2
- 当 Storage Capacitor 存储信息为 1 ,另一端电压为 Vcc,其存储电荷 Q = +Vcc/2 / C
- 当 Storage Capacitor 存储为 0 时,另一端电压为 0,其存储电荷 Q = -Vcc/2 / C
DDR SDRAM
- 在 SDRAM(Synchronous Dynamic RAM,同步动态随机存取存储器)的基础上进行了优化
- 内部具备 2 位预取机制,可交叉编址,当一个存储体输出时,另一个存储体准备数据
- 时钟上、下沿分别传输数据,传输带宽比单沿传输数据增加一倍
只读存储器ROM:
掩膜式 ROM,MROM
- 熔丝断为“0”,熔丝未断为“1”
- 生产厂家采用掩膜技术将程序写入存储器
- 依照制造工艺,分为 MOS 型和 TTL 型两类
- MOS 型 MROM 具有功耗低、速度慢
- TTL 型 MROM 则具有速度快、功耗大
可编程 ROM,PROM
- 可由用户写入操作,且只有一次写入机会
- PROM 在出厂设置时,数据全设为 1,用户根据需要将某些单元写入数据 0
可擦可编程 ROM,EPROM
非易失性的存储芯片
用户可对 EPROM 芯片重复擦除和写入
用户利用紫外线透过设置的一个玻璃窗口照射内部芯片时,就可以擦除其内部存储的数据,芯片擦除的操作需要配套的 EPROM 擦除器
擦除机制特殊,窗口制作成本较高,导致 EPROM 逐渐退出市场

工作原理
- 若在漏源之间感应出正电荷,表示存入0
- 若在漏源之间无正电荷,表示存入1
- 当紫外线照射,电荷被泄放,恢复写入前状态
电擦除可编程 ROM,EEPROM
- 非易失性的存储芯片
- 通过电信号将保存的数据全部或部分擦除,并完成在线编程
- 读写的速度与 RAM 相比要慢很多。与 EPROM 相比,使用更加方便
原理
- 与EPROM类似
- 擦除:用加电方法,进行在线擦写。擦除是固定写1
快闪存储器,Flash,分为 NOR 和 NAND 闪存
写操作只能将数据位从 1 写成 0,而不能将 0 改写为 1
写入之前须先预操作,将预写入的数据位初始化为 1
NOR
擦除操作以区块位单位,区块大小为 64~128KB
执行一个写入/擦除操作的周期为 5s
可以直接运行应用程序
NAND
- 擦除操作也是以块为单位,块大小为 8~32KB
- 执行相同的操作最多只需 4ms
在读写时偶尔产生位反转,且无法完全避免,事后弥补
还可能出现坏块,初始化扫描并对坏块进行标记
FLASH NOR&NAND比较

容量:NOR型更像内存,比较贵,容量比较小;而NAND型更像硬盘,成本要低一些,容量大得多。
应用:NOR型比较适合频繁随机读写的场合,存储程序代码可直接在闪存内运行,例手机使用NOR型闪存;NAND型存储资料,如闪存盘、数码存储卡等
速度:NOR型速度很有限,频率比内存低得多,NAND型闪存类似硬盘的操作,效率也比内存慢得多,比硬盘快得多。
存储单元:NOR型闪存的基本存储单元是字节;NAND型闪存的基本存储单元是页,类似硬盘的扇区。
擦除操作:以块为单位擦除。闪存的写入操作必须在空白区域进行,如果目标区域已经有数据,必须先擦除后写入,因此擦除操作是闪存的基本操作。
寻址:NOR型有独立的地址线和数据线;NAND型闪存通过8条I/O接口数据线传输地址信息包
存储器的主要技术指标
- 存储容量
- B,KB,MB,GB,TB
- 存取时间
- CPU 对内存进行读或写操作时所需要花费的时间
- 存取时间的倒数来表示速度
- 例:存取时间 1ns 内存,访问频率为 1/10−9Hz = 1000MHz
- 存储周期
- 两次独立的读写操作之间所需的时间,一般为6~10ns

- 访问带宽
- 内存总线所能提供的数据传输能力
- 访问带宽=存储器位数/8 × 读取速度峰值
- 表示每秒从主存进出信息的最大数量
- 例:存取周期500ns,存储器位数16位,则带宽32MB/S
- 访问带宽决定信息传输速度,是系统瓶颈的关键因素
- 为提高存储器带宽,可采取措施为
- 缩短存取周期
- 增加存储字长
- 内存总线所能提供的数据传输能力
4.3 ARM存储器管理

存储器的挂载

存储映射
- 地址总线是 32 位,可访问4GB的地址空间
- 小端格式存储,可寻址空间分为 8 个主要块,
- 每个块为 512 MB,即0.5GB
- 程序代码访问区域(0.5GB)
- 数据交互区域(SRAM,0.5GB)
- 片内外围设备(0.5GB)
- 外部存储空间或片外外设(2GB)
- 处理器内部控制(NVIC)和调试区域(0.5GB)

地址分配

内存映射-块0和块1

FLASH
- CPU 通过 AHB I-BUS 和 D-BUS 对 Flash 进行的访问
- Flash 接口通过指令预取和缓存机制加速代码执行
- 闪存组织如下:
- 主存储块被分成扇区
- 系统存储器,器件在系统存储器自举模式下从该存储器启动
- 512 OTP(一次性可编程)字节,用于存储用户数据
- 读写保护、BOR 层,看门狗、复位等配置的可选字节
启动配置
- 代码区从地址0x00000000开始(I总线/D总线访问)
- 数据区从地址0x20000000开始(通过系统总线访问)
- 带FPU的Cortex M4 CPU在I代码总线上取复位扇区,意味着只有在代码区有启动空间
- 支持三种启动模式:
- 主闪存启动模式
- 系统存储器启动模式
- 嵌入 SRAM 启动模式
4.4 新型存储器
- 存储器可分为易失性和非易失性
- 易失性存储器主要SRAM 和 DRAM
- 非易失性存储器
- 闪存(Flash)
- SONOS(Silicon Oxide Nitride Oxide Semiconductor,基于氮化硅存储介质)
- 铁电存储器(Ferroelectric Random Access Memory,FRAM)
- 相变存储器(Phase Change Memory,PRAM)
- 磁存储器(Magnetic Random Access Memory,MRAM)
- 阻变存储器(Resistance,RRAM)
- SRAM、DRAM、FLASH、SONOS 和 FRAM 存储器是基于电荷的存储器
- PRAM、MRAM 和 RRAM 是基于电阻的转变来实现对数据的存储
MRAM
MRAM的基本结构是磁性隧道结
- 底下一层薄膜是铁磁材料(钉扎层),磁自旋方向固定
- 中间一层是隧穿层
- 上面一层是自由层,其自旋方向可在外力下改变
- 当自由层的自旋方向和钉扎层的自旋方向一致,则隧道层处于低电阻的状态,为“0”;反之则处于高阻状态,为“1”
- 利用磁性隧道结的电阻变化来实现数据存储。

MRAM分为传统的MRAM和STT-MRAM,是驱动自由层翻转的方式不同
传统的MRAM
- 采用磁场驱动
- 结构中增加旁路引入较大的电流来产生磁场
- 功耗较大,集成度低
STT-MRAM
- 采用自旋极化电流驱动
- 不需增加旁路,功耗降低,集成度高。
PRAM
三层结构
- 上电极(Top Electrode)
- 具有相变特性材料的中间层
- 下电极(BottomElectrode)
中间是相变层,在晶化(低阻态)和非晶化(高阻态)之间转变,利用高低阻态的变化来实现存储
PRAM 器件具有 M-I-M 或 M-I-S 结构,在器件两端施加不同的电脉冲,可在晶态与非晶态之间发生转变,呈现出不同的电阻态,进行数据存储
英特尔和美光2015年联合推出了3D Xpoint技术
- 3D Xpoint技术的存储单元是采用的1R1D结构的PRAM,这和三星采用的1R1T结构的方向完全不同
3D Xpoint技术在非易失存储器领域实现了革命性突破。虽然其速度略微比DRAM慢,但其容量却比DRAM高,比闪存快1000倍
RRAM
RRAM与PRAM类似,中间转变层使用不同原理
- 用电阻丝理论(Filament theory),通过在绝缘体外部偏置影响,电子在阴极生成,并通过绝缘层到达阳极
- 当电阻丝经过 Forming process 形成后,再控制外加的电压与电流,可以使RRAM 组件在高阻态与低阻态来回切换,利用电阻值的高低储存 0 与 1 的信号
4.5存储保护和校验技术
存储保护:存储区保护和访问方式的保护
主存系统采用界限寄存器的方式进行保护:
- 适合于单个用户占用一个或者几个连续的主存区域的场合
虚拟存储系统:页表保护、段表保护和键时保护等方法实现存储保护
ARM嵌入式芯片内存储保护
- 闪存的用户区域读保护有三个层次:
- 层次0:无读保护
- 层次1:读保护使能
- 层次2:调试/芯片保护被关闭
- 所有层次1下的保护被激活
- 从RAM或者系统存储器bootloader启动被禁止
- JTAG,SWV(single-wire viewer),ETM或者边界扫描被禁止使
- 用户可选字节不能被改变
- 当从闪存启动时,从用户代码访问闪存或者备份SRAM被允许
ARM的闪存写保护
Flash 中有多达 24 个用户扇区具备写保护功能,可防止因程序指针错乱而发生意外的写操作
存储保护-看门狗
实现独立的看门狗(IWDG)对Prescaler寄存器IWDG_PR,Reload寄存器IWDG_RLR的访问被写保护的
存储保护-CAN寄存器保护
- 错误的配置寄存器访问会暂时干扰整个CAN网络
- CAN_BTR寄存器只能在CAN硬件在初始化模式时被软件修改。
- 传输邮箱只能在空的时候被软件修改。
- 通过设置FINIT位或者关闭过滤器Bank可以修改过滤器值。 CAN_FMxR,CAN_FSxR,CAN_FFAR寄存器中的过滤器配置(尺度,模式和FIFO安排)的修改只能在CAN_FMR寄存器中的初始化模式被设置(FINIT=1)时执行
存储保护-SDIO卡保护
在SDIO卡的主访问中,硬件实现了三种写保护方法:
- 内部卡写保护(存储卡来负责)
- 通过机械写保护开关(SDIO卡主访问块负责)
- 密码保护
校验保护
- 奇偶校验
- ECC校验:错误检查和纠正,Error Checking and Correcting
- 在ARM嵌入式芯片设计时,在FSMC/FMC PC卡控制器中,就集成了两个ECC计算硬件块,每个块负责一个存储Bank(Bank 2 和Bank 3)
- 硬件计算可以用于降低CPU的工作负载,对于256,512,1024,2048,4096或者8192字节的NAND闪存读或写可以纠正1位错误和检测2位错误
总结
- 存储器系统的分类
- ARM存储映射
- 新型存储器
- 存储保护及校验