计算机组成原理-L05-datapath
本文最后更新于:6 个月前
计算机组成与实践 -数据通路(Datapath)
一.指令执行概述
处理器:指令执行
MIPS的核心指令:
- 数据传输指令:lw、sw
- 算术与逻辑运算指令: add、addu、addi、addiu、sub、subu、and、andi、or、ori、xor、xori、nor、slt、slti、sltu、sltiu
- 决策指令:beq、j
指令执行:
- PC ->取指令(更新PC)
- 指令译码,读取寄存器
- 执行指令

指令实现的抽象图
核心指令子集实现的抽象视图,描述了主要功能单元及其连接
- 单时钟周期实现
- 哈佛模型:指令存储和数据存储分开

逻辑设计的一般方法
- 二进制表示信息
- 低电压=0;高电压=1
- 1bit一条线路
- 多个bit的数据编码为多条线路
- 组合单元(Combinational Element)
- 处理数据值的单元
- 输出只与输入相关,输入相同则输出也相同
- 状态单元(State Element 或者 Sequential Element)
- 存储信息
- 时钟信号
组合单元
AND-gate
Y = A & B

Adder
Y = A + B

Multiplexer
Y = S ? I1 : I0

Arithmetic/Logic Unit
Y = F(A, B)

时序单元( Sequential Element )
- 寄存器:能够存储数据的电路
- 时钟信号决定何时更新存储的值
- 边缘触发:只允许在时钟跳变的边沿时改变存储的值

- 带写信号的寄存器
- 当写信号有效时,才会在时钟边沿时更新存储的值
- 当存储的值稍后使用时

时钟方法(Clocking Methodology)
组合单元在时钟周期内对数据进行处理
- 时钟边沿之间进行
- 输入来自状态单元,输出给状态单元
- 最长的延迟决定时钟周期时间


二.取指令实现
建立取指令数据通路
数据通路(Datapath)
- 处理或保存处理器中数据的单元
- 数据通路部件:寄存器、ALU、多选器、存储器等
- 取指令的数据通路:PC寄存器、指令存储器(instruction memory)、加法器

读PC值,获得指令的地址
读指令存储器,获得指令
更新PC=PC+4,与读指令同时完成
三.R型指令实现
R型指令:add、sub、slt、and、or

- 对寄存器rs和rt中的值进行运算(op和funct)
- 将结果写回到寄存器rd
- 使用写控制信号RegWrite

R型指令:读寄存器
根据rs和rt指令域获得寄存器地址(编号)
对所有类型的指令,寄存器的读端口处于激活状态

R型指令:ALU运算
ALU根据控制信号(ALU operation)进行运算

R型指令:写回
将ALU result写回寄存器
rd是目标寄存器地址(编号)
写控制信号RegWrite有效

思考slt指令
要把0(或1)写回到$t0,0(或1)从哪里获得?
slt $t0, $s0, $s1 #如果$s0<$s1,则$t0=1; #否则$t0=0
四.数据传输指令实现
数据传输指令:lw和sw

- 通过基址寄存器(rs)的值加指令中16 bits的常数,计算存储器地址
- 基址寄存器的值通过读寄存器获得
- 16 bits的常数经符号扩展单元,有符号扩展成32 bits的常数
- lw指令:获得存储器地址后访问数据存储器,将值写回到目标寄存器(rt)
- sw指令:读取寄存器rt中的值,根据获得的存储器地址将该值存入数据存储器
使用写控制信号MemWrite和读控制信号MemRead控制数据存储器的写入和读出

读寄存器和符号扩展
根据rs和rt指令域获得寄存器地址(编号),读寄存器rs和rt
16 bits符号扩展成32 bits

ALU计算地址
ALU计算存储器地址:基地址(rs的值)加32 bits立即数
寄存器rt中的值传输到数据存储器

sw:访问数据存储器
根据获得的存储器地址,将数据(rt)写入存储器
写控制信号MemWrite有效

lw:访问数据存储器
根据获得的存储器地址,从数据存储器读出数据
读控制信号MemRead有效

lw:写回
rt是目标寄存器地址(编号)
写控制信号RegWrite有效

五.分支指令实现
条件分支指令实现
条件分支指令:beq
****- 根据rs和rt指令域获得寄存器地址(编号),读寄存器
- ALU对两个值进行减法,结果为0则zero信号有效
- 16 bits的常数经符号扩展单元,有符号扩展成32 bits,然后左移2位转化成字地址(32 bits常数)
- 计算分支的目标地址:PC的值32 bits常数

读寄存器和符号扩展
根据rs和rt指令域获得寄存器地址(编号),读寄存器rs和rt
16 bits符号扩展成32 bits

逻辑左移&
符号扩展后的32 bits常数左移2位转化成字地址
ALU执行减法:寄存器rs的值减寄存器rt的值

分支判断&目标地址计算
ALU减法结果为0,则Zero信号有效,传输给分支控制单元(控制是否更新PC为分支目标地址)
加法器:PC+4加32 bits常数

无条件分支实现
无条件分支指令:j

26 bits常数符号扩展成28 bits
用28 bits将PC+4的低28位替换

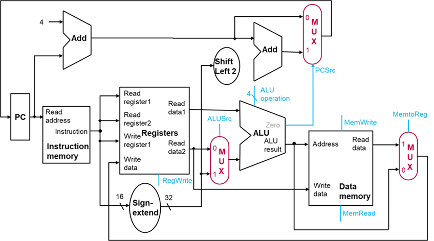
六.完整数据通路实现
创建完整的数据通路
- 一个时钟周期执行一条指令
- 时钟周期由最长执行线路决定
- 将R型指令(算术逻辑指令)、存取指令和分支指令的数据通路中相同的部件重合
- 使用多选器实现多个数据源的选择
- 加入取指令的数据通路
加入多选器

ALU第二个操作数:寄存器或立即数
写回到寄存器的数据:ALU计算结果或数据存储器

完整的数据通路实现

七.小结
按照指令执行建立数据通路
独立的指令存储器和数据存储器
采用多选器实现多个数据源的选择



